Le château de Montferrand, la modélisation d'une forteresse ruinée à partir des sources écrites et de l'étude du bâti
Thomas Robardet-Caffin*
Contexte
Le château comtal de Montferrand (fig. 1) occupe l’extrémité est de la crête du pic Saint-Loup à Saint-Mathieu-de-Tréviers (Hérault). Situé à 20 km au nord de Montpellier ce monument connait de multiples transformations entre le XIe et le XVIIe siècle jusqu’à ce qu’il soit démantelé en 16991. Au Moyen Âge, le Montpelliérais est divisé en deux régions administratives comtales : la partie sud sous l’autorité du château de Mauguio et la partie nord sous celle du château de Montferrand. Ce dernier est confié à un châtelain ou bailli, c’est un centre administratif et judiciaire dans lequel est exercé le pouvoir comtal. Le château, progressivement délaissé à la fin du Moyen Âge, retrouve un rôle prépondérant lors des conflits religieux, au début du XVIIe siècle. En 1621, le château est un point d’attache et de vie pour une garnison de soixante hommes d’armes2. L’ancien château féodal est adapté pour accueillir une garnison.

Les collectes des données matérielles sur ce monument ruiné font appel à des protocoles connus et maitrisés de l’étude du bâti : le relevé architectural, le relevé pierre à pierre, l’analyse stratigraphique. Une fois l’analyse sur le bâti existant réalisée le travail se porte sur les parties disparues de l’édifice. Les marques laissées par les éléments manquants tel que le volume des remblais, les traces des boiseries etc. sont autant d’indices à exploiter. En outre, les documents iconographiques et écrits témoignent de parties totalement effondrées, invisibles sur le terrain.
Le château de Montferrand bénéficie un ensemble documentaire remarquable qui permet de reconstituer des espaces entièrement disparus. Une expertise réalisée en 1677 dépeint le château pièce par pièce3. Chacune d’elles est décrite de manière individuelle : sa fonction, ses dimensions, ses ouvertures. Les revêtements et l’organisation structurelle du plafond sont inventoriés. Deux prix-faits4 de 1604 et 1605 ainsi que de multiples représentations et photographies anciennes du château enrichissent la compréhension des vestiges. La confrontation de toutes ces données permet non seulement d’identifier les espaces mais aussi de dater les périodes de construction. On peut compter aussi sur le cartulaire de Maguelone5 qui renseigne indirectement sur l’utilisation de certains espaces au Moyen Âge.
La présente démonstration se consacre plus particulièrement à la façade sud et au bâtiment d’entrée (dorénavant nommé bâtiment 1) du réduit fortifié haut qui est en grande partie arasé à partir du second niveau. L’étude du réduit fortifié permet une exploitation de sources variées qui apportent des connaissances tant sur l'état du bâti avant sa démolition que sur son évolution architecturale à travers les siècles. Les sources transmettent en même temps une vision tronquée ou déformée de la réalité qu’il faut prendre en compte.
Les vestiges comme source de première main
Au XVIIe siècle, le château de Montferrand s’organise sur trois terrasses rocheuses. Un réduit fortifié haut est dédié à la vie de la garnison, il est communément appelé « vieux Montferrand ». Un niveau intermédiaire est occupé par la résidence aristocratique nommée « petit Montferrand ». Enfin, une place d'armes basse est consacrée à la défense qui est délimitée par une grande enceinte.
L'entrée dans le « vieux Montferrand » se fait à la base du bâtiment 1 (voir plans en annexe 1) et débouche dans une haute-cour. Ce bâtiment est arasé à partir de son second niveau. De même que la haute-cour, il est recouvert par des remblais.
Deux bâtiments mitoyens 2 et 3 conservent leur façade sud à la hauteur d’origine. Le bâtiment 2 repose sur trois caves voûtées en bon état qui sont surmontées d'une grande salle effondrée anciennement voûtée en berceau. Au-dessus subsistent trois baies, ainsi qu'une rangée de dalles qui marquent le sol du troisième niveau. Le bâtiment 3 conserve, côté sud, la trace de deux niveaux ainsi qu'une petite fenêtre et un merlon sommital.
Une hauteur minimale peut être fixée pour le bâtiment 1 d’après ces vestiges. Il mesurait une hauteur au minimum égale aux deux tiers de la façade sud du bâtiment 2. En effet, jusqu'à cette hauteur, des pierres anciennement chaînées montrent une liaison entre ces deux édifices. Cependant, la hauteur maximale ne peut être fixée par la simple analyse des ruines trop lacunaires. D'autres endroits du château comme le « petit Montferrand » permettent de reconstituer une volumétrie générale car la forme de la toiture est encore visible sur les murs.

La volumétrie générale, un premier recoupement des sources
Les sources iconographiques complètent l’étude des structures en place. Une photographie6 (fig. 3) réalisée entre 1890 et 1910 montre quelques pierres de la face ouest du bâtiment 1 encore accrochées au bâtiment 2. Ce dernier, alors en meilleur état, était accolé sur toute sa hauteur au bâtiment 1. Cette photographie démontre que le bâtiment 1 avait une hauteur au minimum égale aux façades 2 et 3. Cependant, l’angle de vue ne permet pas d’identifier une éventuelle marque de toiture.

L’angle sud-ouest du bâtiment 1 est encore entièrement debout sur une lithographie de Laurens Jean-Joseph Bonaventure réalisée en 18407 (fig. 4). Un merlon au sommet confirme que l'angle subsistait, à cette époque, sur sa hauteur d’origine. Cependant, il semble excessivement haut par rapport aux façades mitoyennes. Deux facteurs principaux de déformation peuvent survenir dans ce type de source. D’abord, les choix ou les oublis de l’auteur entrainent l’ajout ou la non représentation d’éléments ainsi que le non-respect des proportions. Ensuite, les disproportions dues à la perspective faussent l’évaluation des dimensions.

Cette lithographie romantique du château n’est pas une source suffisante pour conclure concernant la volumétrie du bâtiment 1. Le 6 octobre 1830, le dessinateur Jean-Marie Amelin réalise un ensemble de dessins du château à la mine de plomb8 (fig. 5). Ces représentations confirment les observations faites sur la lithographie et permettent d’affirmer que les crénelages des bâtiments 1 et 3 étaient à la même hauteur9. Dans la précédente lithographie, l’exagération des verticales et la perspective étirent le bâtiment 1. Ce dernier occupe donc au XVIIe siècle approximativement le volume d'un parallélépipède rectangle de 15 m de haut, par 4,4 m de large et par 17,60 m de long. Ces sources demeurent trop lacunaires pour étudier les espaces intérieurs du bâtiment 1. A contrario, le bâtiment 2 est suffisamment conservé pour envisager la reconstitution de son second niveau soit reconstitué (fig. 6).


L’étude des espaces intérieurs : l’apport des sources écrites
En l’absence de plans anciens, les descriptions écrites peuvent receler de précieuses informations. L’expertise réalisée en 1677 dépeint le château pièce par pièce10. Identifier les espaces du texte avec les vestiges observés n’est toutefois pas toujours évident. Lorsque la description n'est pas suffisante pour localiser un espace, il faut rechercher les coïncidences entre les mesures prises sur le terrain avec celles contenues dans le texte. Les unités de mesure utilisées sont les cannes et les pans. En moyenne, 1 canne, dans le Languedoc du XVIIe siècle, équivaut environ à 1,80 m et 1 pan équivaut à 1/8 de cannes soit environ 22,5 cm11.
Les architectes débutent leur parcours dans le « vieux Montferrand » en passant par le passage d'entrée sous le bâtiment 112. Ils arrivent ensuite dans la haute-cour13. Cette dernière est entourée de tous les côtés par des constructions. Les deux premiers espaces intérieurs visités, nommés cuisine et salle d'armes, semblent correspondre au second niveau du bâtiment 114. Les dimensions de ces espaces, exprimées en cannes et en pans dans le texte, sont converties en mètre ci-dessous : (L la longueur et l la largeur)
Mesures dans le texte de 1677 :
L Cuisine = 11 m (soit 6 cannes)
l Cuisine = 4,50 m (soit 2 cannes et 4 pans)
L Salle d’armes = 4,50 m (soit 2 cannes et 4 pans)
l Salle d’armes = 3,60 m (soit 2 cannes)
Les vestiges qui émergent des remblais permettent de prendre les mesures suivantes sur le terrain (voir annexe 1) :
L Bâtiment = 17,60 m
l Bâtiment = 6,20 m
Ep Murs périph. = 0,90 m
l hors-oeuvre = 4,40 m
La largeur, hors œuvre de 4,40 m prise sur le terrain, coïncide avec les dimensions telles qu’elles sont indiquées dans le texte relatif à la salle d’armes et à la cuisine. Les remblais qui recouvrent le site empêchent de vérifier de la même manière les longueurs. Cependant une formule permet de combiner les mesures de terrain aux mesures indiquées dans le texte de 1677 :
L Bâtiment = L Cuisine + L Salle d’armes + Ep Murs ouest + Ep Murs est + Ep Mur cloisonnement
On considère que « Ep Mur cloisonnement » correspond à l’épaisseur du mur entre la cuisine et la salle d’armes.
Dans cette formule Ep Murs est et Ep Mur cloisonnement sont inconnues. A vue de l’épaisseur des autres murs mieux documentés, l’addition de ces deux murs devrait se situer entre 1,50 m et 2 m.
Ainsi :
Ep Mur périph. est + Ep Mur cloisonnement = L Bâtiment – ( L Cuisine + L Salle d’armes + Ep Murs ouest )
Ep Mur périph. est + Ep Mur cloisonnement = 17,60 – (11 + 4,5 + 0,90)
Ep Mur périph. est + Ep Mur cloisonnement = 1,20 m
Si la valeur Ep Mur périph. est + Ep Mur cloisonnement est un peu trop faible, le résultat obtenu demeure cependant cohérent par rapport au résultat attendu. De même que pour les largeurs, les longueurs indiquées dans le texte et celles mesurées sur le terrain coïncident entre-elles.
La suite de la description indique que le bâtiment 1 abrite, au-dessus des caves, six pièces accolées deux à deux et superposées sur trois niveaux15. Le volume précédemment énuméré de ce bâtiment est le seul du château à pouvoir contenir quatre niveaux.
Le parcours au dernier niveau apporte également des informations sur les édifices mitoyens. Après avoir visité le dernier niveau du bâtiment 1, les architectes passent par un couloir au dernier niveau du bâtiment 2 qui donne accès à la tour ronde encore conservée aujourd'hui. La présence d’un couloir et non d’une salle à ce niveau confirme la restitution précédemment faite (fig. 6). Le sol du troisième niveau est bombé car formé par l’extrados de la voûte. Seul un passage plat d’environ 1,10 m de large est aménageable16. Le pavement encore coincé dans le mur est un vestige du sol de ce couloir. En sortant de ce dernier au niveau de la tour ronde, les architectes parcourent 6 cannes, soit 10,80 m, avant d'atteindre un abri pour sentinelle situé dans le coin du château17. Cette longueur coïncide effectivement avec la distance entre la tour ronde et l’angle sud-est du « vieux Montferrand ». Le mur qui relie ces deux points est d’une épaisseur de 1,10 m. Celle-ci est suffisante pour accueillir un chemin de ronde et un parapet pour rejoindre l'abri pour sentinelle depuis le couloir. L'angle du château effondré forme une plate-forme de 2,60 m2, soit une surface suffisante pour supporter un abri. En 1880, un croquis de Jules Duval18 représente ce mur surmonté par deux merlons en partie ruinés.
La restitution des planchers d’après le témoignage du texte
D'après le parcours des architectes en 1677, le sol du 4e niveau du bâtiment 1 se situe approximativement à la même hauteur que celui du couloir. Par conséquent, seule la hauteur de sol du niveau 3 reste inconnue. Une approximation peut cependant être faite à partir des hauteurs du 1er et du 4e niveau.
L’expertise de 1677 permet de reconstituer les structures des toitures et des planchers. Pour décrire ces derniers, le rapporteur utilise une méthode constante suivant la logique structurelle des franchissements. La description commence systématiquement par les structures porteuses horizontales primaires, puis secondaires, puis tertiaires, etc. L’élément porté (plancher, tommettes, dalles de pierre) n’étant pas visible par-dessous, il est énuméré lors de la visite du niveau supérieur. La présence de tuiles et de ventrières permet de distinguer les toits des planchers. La majeure partie des toitures du château est mono-pente. Cette disposition est en partie due à la faible largeur des bâtiments.
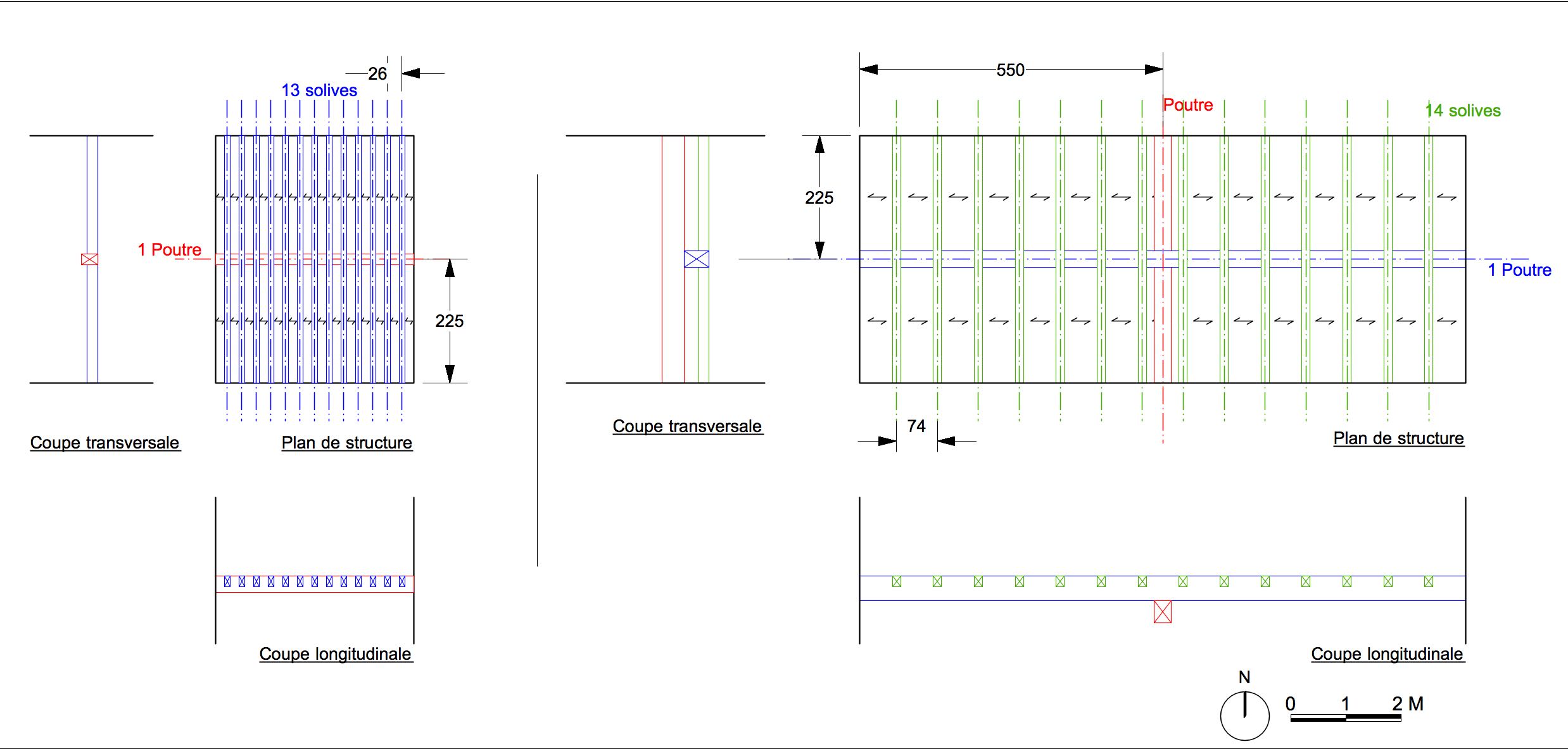
La description du plafond de la cuisine (2e niveau du bâtiment 1) est un plancher avec trois niveaux de porteurs horizontaux19 (fig. 7) :
- un porteur horizontal primaire : 1 arc en pierre dans le sens transversal,
- les porteurs horizontaux secondaires : 2 poutres dans le sens longitudinal,
- les porteurs horizontaux tertiaires : 13 solives dans le sens transversal.
Cette structure supporte des « ais d’entrevous » couplés avec des « listaux »20 sur lesquels sont placées des tomettes de terre cuite21 probablement assises sur une chape.
La description du plafond de la salle d’armes (2nd niveau du bâtiment 1) est un plancher avec deux classes de porteurs horizontaux22 (fig. 7) :
- un porteur horizontal primaire : 1 poutre dans le sens transversal,
- les porteurs horizontaux secondaires : 10 solives dans le sens transversal.
De même que la cuisine, cette structure supporte des ais d’entrevous couplés avec des « listaux » sur lesquels sont placées des tomettes de terre cuite sur chape23.

Les descriptions des plafonds des deux autres étages sont données en annexe 4. L’orientation de la toiture demeure inconnue, néanmoins une canalisation en terre cuite est appuyée contre la façade sud. Encore bien visible, elle permettait d’acheminer l’eau de la toiture dans la grande cave transformée en citerne24. L'hypothèse la plus vraisemblable est donc une orientation de la toiture vers cette canalisation. Les planchers peuvent ainsi être insérés dans la volumétrie du bâtiment précédemment définie (fig. 8).

Cette exploitation de la source écrite pour restituer les planchers est vérifiable au niveau du « petit Montferrand ». À cet endroit, un étage noble est couvert d'un plafond à la Française25. Par définition, dans ce type de structure, la distance entre les solives est égale à leur section. La largeur de cet étage relevée sur le terrain divisé par les 23 solives indiquées dans l'expertise donne 10 cm. Ce résultat, qui indique la section et l'écartement des solives, est cohérent26 (annexe 3). Les sources écrites ne peuvent toutefois pas livrer toutes les subtilités structurelles. Cette méthode considère que les structures sont régulièrement assemblées. Dans la réalité, poutres et solives ne devaient pas toujours être distribuées de manière égale. De même, les sections des bois et les modes d’assemblage restent inconnus27.
Les structures tels que portes, fenêtres, escaliers, cheminées etc. renseignées dans le texte ne peuvent être dessinées ou positionnées précisément par cette seule source écrite. Des opérations archéologiques permettraient certainement de préciser les emplacements de structures ensevelies comme les portes, l’escalier et la cheminée de la cuisine. Dans les étages disparus, les sources iconographiques permettent de positionner certains éléments disparus. Par exemple, la fenêtre du petit corps de garde énumérée dans l'expertise de 167728 est représentée dans la lithographie de 1840 (fig. 4).
Vers un modèle évolutif
Une fois le bâtiment reconstitué dans son dernier état avant démolition, les sources documentaires sont exploitées de manière différente pour aboutir à un modèle évolutif. L'analyse stratigraphique des élévations (fig. 9) complète l'étude des vestiges. Chaque façade a été divisée en unités stratigraphiques construites (dorénavant USC) qui délimitent les structures et permettent d’établir des phases de construction. Cependant cette analyse peut présenter des contradictions.

Par exemple, dans l’angle sud-est du « vieux Montferrand » l’observation stratigraphique et l’étude de l’appareil ne correspondent pas. Quatre élévations successives sont nettement visibles dans le mur d’enceinte est contre lequel s’appuie la tour ronde (USC 2 01 et 2 04). Trois crénelages sont superposés (USC 4 01, 4 02 et 4 03), ils sont coupés et recouverts par les USC 4 05 et 4 04. D’après cette analyse stratigraphique et le plan, un angle crénelé médiéval est détruit puis prolongé par un angle en forme de bastion surmonté d’une guérite pour sentinelle mentionnée dans l’expertise de 1677.
Cependant, la base de cet angle (USC 4 05) est constituée par une pierre et un appareillage identiques à ceux du bâtiment 1 édifié quant à lui, durant le XIIIe siècle (USC 1 01 et 1 02). Inversement, la partie haute (USC 4 04) est en moellon de calcaire dur, grossièrement appareillé, typique des extensions du XVIIe siècle. L’analyse stratigraphique et l’appareillage ne s’accordent donc pas.
Une nouvelle source textuelle permet cependant de dater avec certitude ces observations. Deux prix-faits de 1604 et 160529 mentionnent vingt-deux interventions dans le château. Parmi ces travaux, quatorze peuvent être localisés à l’aide des analyses stratigraphiques et de l’expertise de 1677.
Conformément aux observations précédentes, en 1605 dans l’angle sud-est du « vieux Montferrand », il est précisément demandé de détruire une salle voûtée médiévale et de construire une tour et une cave voûtée30 encore bien conservée aujourd’hui. Ainsi, la base de l’angle sud-est (USC 4 05) apparaît comme un remploi du XVIIe siècle de pierres du XIIIe siècle. Ce remploi semble provenir d’un mur dont il subsiste quelques vestiges dans les parties basses du château31. Les structures du Moyen Âge comprises dans la grande enceinte basse ont été arasées au XVIIe siècle pour servir à la défense moderne.
L’évolution du bâtiment 1 peut être retracée malgré le fait que ses niveaux supérieurs ont disparu. Pour ce faire, l’analyse stratigraphique porte sur les bâtiments mitoyens 2 et 3, elle est couplée aux deux prix-faits et aux sources iconographiques. Les corps de garde, au dernier niveau du bâtiment 1, étaient en connexion avec le dernier niveau du bâtiment 2 (USC 2 03) et la face sud du bâtiment 3 (USC 3 01), deux structures du XVIIe siècle. Ces dernières ont le même appareillage grossier caractéristique des agrandissements opérés au début du XVIIe siècle. Elles recouvrent et coupent respectivement deux structures de la fin du XIe ou du début du XIIe siècle (USC 5 01) et du XIIIe siècle (USC 2 02). Les murs et la toiture du bâtiment 3 sont mentionnés en 1677 comme étant neufs32, ce qui s’accorde avec une construction tardive de cet édifice.
Dans les prix-faits de 1604 et 1605, les bâtiments qui forment l’enceinte sud sont surélevés et crénelés. La toiture d'un bâtiment nommé « Saint Aunest » est orientée d'un côté pour acheminer l'eau dans la citerne33. Ces informations rejoignent les observations précédemment faites sur le crénelage et la toiture du bâtiment 1 à la base duquel est aménagée la citerne au XVIIe siècle.
Dans la description de 1677, six fenêtres, une meurtrière et six niches sont régulièrement réparties dans le dernier niveau du bâtiment 134. Cette succession de fenêtres et de niches semble correspondre à un ancien crénelage. La surélévation de 1604 a probablement transformé les créneaux du XIIIe siècle en fenêtres et les archères percées dans les merlons en niches. Ce dispositif est prolongé le long du couloir du troisième niveau du bâtiment 2 dans lequel une fenêtre encadrée de deux archères est encore observable (fig. 2). Dans la lithographie de Laurens (fig. 4), des percements situés environ 1 m sous les fenêtres du XVIIe siècle (ou crénelage du XIIIe siècle) sont représentés. Dans le dessin d’Amelin (fig. 5), ils sont symbolisés par un trait épais. Ces percements sont suggérés de manière trop resserrée pour correspondre à un solivage de hourds35. Cet agencement est davantage à rapprocher de celui observable au château de Montoulieu (Hérault) permettant d’évacuer l’eau d’une toiture appuyée derrière un mur. Cette fonction des percements s’accorde avec la surélévation de 1604. En effet, la toiture du XIIIe siècle se situait un niveau en dessous de celle du XVIIe siècle, soit derrière l’ancien parapet crénelé au même niveau que les percements. La figure 10 présente les phases de construction établies d’après l’analyse des structures du « vieux Montferrand ».

Conclusion
Lorsqu’aucun plan ni aucune photographie avant la ruine n’existe, la restitution peut se faire à partir d’un ensemble de sources parfois très diverses. Les mêmes sources sont exploitées de manière différente suivant qu’il s’agisse de restituer l’édifice avant sa démolition ou de proposer un modèle évolutif du bâti.
Le type de source employé pour restituer chaque élément disparu est résumé suivant un code couleur dans la figure 11. Qu’elles soient constituées de vestiges tangibles, de nature textuelle ou iconographique, elles présentent des avantages et des limites. C’est leur recoupement qui permet de se rapprocher de la réalité bâtie disparue. Des éléments architecturaux manquants sont soumis à des interprétations indirectes, des hypothèses. Le modèle restitué est une évocation volumétrique qui, dans le détail, demeure bien souvent lacunaire.
Les vestiges constituent l’apport principal d’information. Leur étude permet de contextualiser les sources de première et seconde main et de dimensionner les hypothèses de restitution. Gravures, peintures, croquis et photographies sont autant de représentations de la ruine à des degrés divers d’effondrement. La fiabilité de ces sources dépend en grande partie de la motivation, de la technique et de la sensibilité de leur auteur. Elles doivent systématiquement être confrontées à des représentations différentes.

_________________________________________________________________________________________________________________________________
Bibliographie
- Favre-Brun, A. (2013). Architecture virtuelle et représentation de l’incertitude: analyse de solutions de visualisation de la représentation 3D , Thèse de doctorat, Université d’Aix-Marseille, École doctorale 355 Espaces, cultures, sociétés.
- Germain A. (1854). Étude historique sur les comtes de Maguelone, de Substantion et de Melgueil. Montpellier : Jean Martel aîné.
- Rouquette, J. (1996), Histoire du diocèse de Maguelone. Nîmes : Lacour.
- Rouquette, J., Villemagne, A., Fabrège, F. (1913-1924). Cartulaire de Maguelone, tomes 1 à 5. Montpellier : L. Valat.
- Schneider, L. (2003). Dans l’ombre de Montpellier. Espace, pouvoirs et territoires dans l’ancien pagus de Maguelone durant le haut Moyen Âge (Ve-XIe siècle). In : Carte archéologique de la Gaule, t. Le Montpelliérais, no. 34/3, 98‑112.
- Vassal, V. (2002). Le castrum de Montoulieu et le peuplement dans la vallée de l’Alzon au Moyen Âge. Études héraultaises, no. 32‑33, 5‑30.
- Vassal, V. (2010). Montferrand. Inventaire des sites castraux abandonnés du département de l'Hérault. Rapport final d'opération. Montpellier : SRA-DRAC Languedoc-Roussillon & groupe de recherche archéologique de Lavérune.
Notes
1 Archives départementales (dorénavant AD) Hérault, G 1591, « Arrêté du roi permettant de démolir le château de Montferrand » (1699).
2 AD Hérault, G 1591, « Frais des gens de guerre » (1621) : « Sieur Valat cappitaine, un sergem, troie caporaux et cinquante cinq arquebusiere ou mousquetaire ».
3 AD Hérault, G 1446 « Expertises faites par Esprit Dumas et George Espinassou architecte » (1677), (dorénavant annexe 1). L’annexe 1 présente un extrait du document consacré à la description du bâtiment 1 et au couronnement de la façade sud du « vieux Montferrand ». Le document se présente sous la forme d’un carnet manuscrit relié. Cette expertise a pour but de chiffrer les travaux à réaliser pour rendre « plus habitable » le château. Aucun travail n’est entrepris à la suite de cette visite, le château est démantelé 22 ans plus tard.
4 AD Hérault, G 1591, « Bail et prix fait par noble Jean de Ratte » (1604 et 1605).
5 Rouquette, Cartulaire… t. 1 à 5.
6 AD Hérault, 27 Fi 7 : ensemble de six photographies réalisées entre 1890 et 1910.
7 Médiathèque Emile Zola Montpellier, 1652RES_Vol 8 (gravure de 1840).
8 Médiathèque Emile Zola Montpellier, 1652RES_Vol 8 (9 dessins de 1830).
9 Une seconde lithographie de Thierry Frères réalisée en 1840 confirme cette observation. Médiathèque Émile Zola, 363_5_0329.
10 Voir annexe 1.
11 Centre d’histoire Espaces et cultures, Les anciennes mesures locales du Midi méditerranéen d’après les tables de conversion, Clermont-Ferrand, France, Institut d’études du Massif central, 1994. Les architectes de 1677 semblent utiliser une mesure proche de la canne de Toulouse. Cette dernière coïncide le plus avec les mesures identifiées sur le terrain comme les dimensions de la plateforme d’artillerie dans les parties basses du château. La canne de Montpellier, supérieure de 20 centimètres, est légèrement trop grande lorsqu’elle est comparée aux mesures de terrain. Cependant les fluctuations de l’ordre de la dizaine de centimètres sont précises au regard des nombreux facteurs de déformation (irrégularité des vestiges, de la prise de mesure, de l’unité de mesure etc.). La valeur de 1,8 cm est une moyenne utilisée ici pour le raisonnement.
12 Annexe 2 lignes 1 à 6 (bleu).
13 Annexe 2 lignes 6 et 7 (vert).
14 Annexe 2 lignes 7 à 17 (bleu).
15 Annexe 2 lignes 7 à 52.
16 La présence d'un simple couloir à ce niveau allège les reins de la voûte ce qui explique, en parti, qu'elle soit contrebutée par un mur de seulement 90 cm d'épaisseur pour une hauteur de 15 cm.
17 Annexe 2 lignes 1 à 63 à 66.
18 Duval Jules, Ruines du château de Montferrand – Croquis, 1880, Lithographie, Cote : 10239_1, médiathèque Emile Zola de Montpellier.
19 Annexe 2 lignes 15 à 17.
20 Les « ais d’entrevous » désignent les planches destinées à clore l’espace entre les solives. Il est plus difficile d’interpréter le terme de « listeau » employé dans le texte. Proche du mot « liteau », il semblerait qu’il s’agisse des petits débits de bois chargés de masquer les joints entre les ais d’entrevous.
21 Annexe 2 lignes 28 et 29 : « pavé le dessus avec maous, la pluspar brisés et rompus ».
22 Annexe 2 lignes 24 et 25.
23 Annexe 2 ligne 37.
24 Annexe 2 lignes 12 et 13 (vert), un enduit d'étanchéité est présent sur toutes les parois de cette cave (sol, murs et voûte). La trappe circulaire de communication avec la cuisine au-dessus est bien visible.
25 G1446, lignes 236 à 239 « le plancher de ladite salle est soutenu par deux poutres et vingt-trois solives avec ses faux poutres qui règnent autour dudit plancher à la française avec ses aix par-dessus en moyen état ». Les « faux poutres » sont des lambourdes périphériques qui supportent le plancher, cet agencement structurel explique qu’aucun boulin ne soit observable dans les murs périphériques.
26 La portée du solivage est se 2,5 m.
27 Cependant ces données peuvent-être évaluées : la portée des poutres principales n’excèdent jamais 5,50 m et celle des solives 2,30 m. Pour garantir une rigidité structurelle suffisante, la hauteur de section des poutres doit être d’environ 45 cm et celle des solives de 20 cm. Mais cela reste une approximation. La hauteur totale du bâtiment permet d’accueillir quatre étages à condition de minimiser l’épaisseur des planchers. Ce constat est en faveur d’assemblages a mis bois au moins pour les structures les plus épaisses.
28 Annexe 2 ligne 48.
29 AD Hérault, G 1591, « Bail et prix fait par noble Jean de Ratte » (1604 et 1605).
30 Idem (1605) : « premierement a fair une tour sur le coing regardam vers st mathieu hausser tous le devam par dedans le chasteau destruir la voûte de la cave jusque en haut et faire une voûte suen paver et creneller tout alentour (…) hausser de quatre pans sur la salle pour mettre toute leau d’un couste ».
31 De la même manière, le logis comtal du XIe siècle au niveau du petit Montferrand est en parti démonté, ses pierres en calcaire dur soigneusement taillées sont remployées dans les murs de soutènement de la terrasse centrale du château au début du XVIIe siècle.
32 Annexe 1 lignes 56 à 58 (bâtiment 3).
33 AD Hérault, G 1591, (1604) : « et hausser dun couste la maison de saint aunest pour fair venir leau dans la cisterne ».
34 Annexe 2 lignes 40 à 41 et ligne 48.
35 Il est encore moins probable qu’il s’agisse de corbeaux de mâchicoulis car ces derniers seraient représentés sur les divers dessins côté ouest du château. De plus ce dispositif se diffuse seulement à partir du XIVe siècle dans la région. Les remparts d’Aigues-Mortes construits à la fin du XIIIe siècle sont encore couronnés de hourds.
36 G1446, lignes 60 : « le plancher sur la chambre est porté par une poutre à dix soliveaux avec ses aises et liteaux ».
37 Nommés « solives » dans le texte.
Annexe 1, plans des vestiges sud du « vieux Montferrand »

Annexe 2, extrait de l’expertise de 1677
Les groupes de couleur délimitent les espaces entre eux.
1 (...) une petite porte qui est la principalle qui donne lentrée au chateau
2 ou donjon, la fermeture de laquelle est bois de chaisne doublée avec
3 fer, et ses autres ferment, et un ? veroul avec son cadenat y defaillan
4 une plate de fer, et au dela de ladite porte allam dans chateau, est une
5 petite sarasine, joignam avec une voute en croisiere faite avec pierre rassiere
6 en moyenne valeur qui est reparée de neuf, et passam avam dans une petit
7 bassecour, savions montés par quatre degres a un membre servam de
8 cuisine, la fermeture de la porte est de bois blanc double avec gonds, et
9 bandes sans ferure, icille cuisine est de longueur de six cannes sur deux
10 cannes quatre pans largeur pavée avec pierre froide, esclairée par un
11 trou carré ou est un fer a la?dons, sa fermeture bois et ferements
12 avec laquelle cuisine est une grande citerne a tenir leau pour la provision
13 du chateau avec son bor, et couverture de bois, se moyenne valeur garnie
14 de sa polie, et une pille a costé, ou y a aubout dicille une cheminée
15 faite avec pierre en moyenne valeur, le plancher sur icille est soustenu
16 par un arc pierre de taille et deux poutres a chaque costé et treize solivaux
17 et ses aix a listaux en moyen estat, au fond de ladite cuisine y a une
18 chambre ou on tiem les armes y ayam une porte la fermeture de laquelle
19 est de bois blanc, double avec ses fermens, une serure, et cadaule en
20 tret pauvre estat, estam laditechambre pavée avec bare de pierre
21 tous rompus, est eclairée par une fenestre grillée avec fer sans fermeture,
22 autour de laquelle som de rasteliere bois propres a tenir les armes
23 estam ataches aux murailles la plus grand partie garnie de mousquets
24 le plancher sur ladite chambre est porté par une poutre et dix solivaux
25 avec ses aix et listaux en moyen estat, estam icille de deux cannes
26 quatre pans longueur, et deux cannes largeur, deplus savions montés
27 sur ladite cuisine par quatre degres de piere, et onze de bois de
28 chaisne en pauvre estat sans aucune paravande, pavé le dessus
29 avec maous, le pluspar brisés et rompus, le plancher par dessus
30 est porté par une poutre, et treize solivaux, et ses aix par dessus en
31 bon estat, separé par un ? pierre, ou est une porte sans
32 fermeture, eclairé par deux fenetres avec leurfermeture bois blanc
33 double avec leurs ferements y manquam a l'une une bande et les veroules
34 a toutes deux en pauvre estat, le plancher sur ledit membre servam de grenier
35 est soustenu par une poutre et un autre a travers, et quatorze solivaux, et
36 ses aix par dessus en bon estat qui a este fait de neuf, le membre ests
37 pavé de petits maoue a pane e defaillam la plue grande partie, et dela
38 savions montes au dessus dudit plancher qui est le dernier membre servam
39 de corps de garde par une eschelle de bois, lequel nest nullemempavé,
40 est eclairé par cinq fensestre compris celle de la murtriere qui est sur la
41 porte dentrée dans aucune fermeture, dans ledit membre y a six armoires
42 dans lespesseur des murailles sans aucune fermeture y ayam quesues
43 fermeture en pauvre estat, le couvert sur iciluy est doutenu par deux gros
44 poutres a travers et deux ventrieres en long avec vingt un solivau, et
45 ses aix et tuilles par dessus, le couvert a est fait de neuf en bon estat,
46 et de la savions entres dans autre membre qui est sur la chambre des
47 armes servam aussy de corps de garde a la porte duquel ny a aucune
48 fermeture eclairée par deux fenestres, lune avec sa fermeture bois blanc
49 bandes, gonds, et sans veroul, le membre nestam nullemem pavé et en
50 pauvre estat y ayam une petite cheminée vouté et vieille en fort pauvre
51 estat, le couvert sur iciluy est soustenu par trois poutres et neuf solivaux
52 et parefeuille par dessus, et tuilles le tous fait de neuf en bon estat
53 et au fond dicille est autre petite chambre, sans aucune fermeture
54 nestam toutesfois pavée, est éclairée par une petite fenestre qui a sa
55 fermeture bois blanc, avec une bande et un gan, le tous fort vieux et
56 en pauve estat, son couvert est soustenu par un poutre fait de neuf
57 et neuf soliveaux, ses aix et tuilles par dessus en bon estat pour avoir este
58 fait tout de neuf, comme aussy partie des murailles, et daventage
59 retournans dans le corps de garde savions passes par une petit couroir
60 dans lequel est une petite forme de tour ronde, a laquelle est lorloge
61 avec sa cloche en moyen estat, et couvert par dessus avec bois et tuiles
62 aussy ledit passage ou couroir y ayam quatorze solivaux, ses riostes et
63 tuilles par dessus en moyen estat, et a distam dudit passage environ six
64 cannes, avions trouvé sur le coing dudit chasteau un petit membre servam
65 pour une santinelle avec son couvert par dessus a quatre aux qui a este
66 fait de neuf en bon estat, et estant dessendues et sorties de la cuisine (...)
Annexe 3, description du plafond de l'étage noble du petit Montferrand d'après l'expertise de 1677
La description du plafond de cette salle est un plancher avec trois niveaux de porteurs horizontaux (fig. 13) :
- des porteurs horizontaux primaires : des lambourdes périphériques,
- les porteurs horizontaux secondaires : 2 poutres dans le sens transversal,
- les porteurs horizontaux tertiaires : 23 solives dans le sens longitudinal,
Cette structure supporte un système d’ais d’entrevous qui supportent elles-mêmes une chape avec des tomettes de terre cuite.

Annexe 4, description des plafonds du troisième et quatrième niveau du bâtiment 1 d'après l'expertise de 1677
La description du plafond de la salle supérieure de la cuisine (3e niveau) est un plancher avec trois classes de porteurs horizontaux36 (fig. 14) :
- un porteur horizontal primaire : 1 poutre dans le sens transversal,
- un porteur horizontal secondaires : 1 poutre dans le sens longitudinale,
- des porteurs horizontaux tertiaires : 14 solives dans le sens transversal.
La longueur de cette pièce est identique à celle de la cuisine soit 11 m. Par conséquence, la poutre secondaire doit correspondre à deux poutres alignées qui reposent, au milieu de la salle, sur la transversale. Cette structure supporte un système d’ais d’entrevous qui supportent un simple plancher.
Le plafond du grenier (3e niveau) est un plancher et révèle un enchaînement de deux classes de porteurs horizontaux (fig. 14) :
- un porteur horizontal primaire : 1 poutre dans le sens transversal,
- un porteur horizontal secondaires : 13 solives dans le sens transversal.
De même que la salle supérieure à la cuisine, cette structure supporte un système d’ais d’entrevous qui supportent un simple plancher bois.

La description du plafond du corps de garde à l’est (4e niveau) est une charpente de toiture mono pente. Trois classes de porteurs horizontaux s’enchainent (fig. 15) :
- des porteurs horizontaux primaires : 2 poutres dans le sens transversal,
- des horizontaux secondaires : 2 ventrières,
- des porteurs horizontaux tertiaires : 21 chevrons37 dans le sens transversal.
Les chevrons supportent des ais d’entrevous qui supportent eux-mêmes les tuiles. Les nombreux débris de tuiles sur le site démontrent l’utilisation de tuiles canal sur l’ensemble du château.
De même que la description du plafond du corps de garde à l’est, celle du plafond du corps de garde ouest (4e niveau) correspond à une charpente de toiture mono pente. Deux classes de porteurs horizontaux s’enchainent (fig. 15) :
- des porteurs horizontaux primaires : 2 poutres dans le sens transversal
- des porteurs horizontaux secondaires : 9 chevrons dans le sens transversal.
Les chevrons supportent des parefeuilles qui supportent eux-mêmes des tuiles.

*Biographie
Ce travail sur le château de Montferrand est une partie intégrante du travail de recherche de Thomas Robardet-Caffin, dans le cadre de son doctorat. Celui-ci est codirigé au centre d’études médiévales de Montpellier (CEMM EA 4583) par Géraldine Mallet et au laboratoire innovation formes architectures milieux (LIFAM) par Catherine Titeux. Le doctorat bénéficie d’un contrat CIFRE mené au sein de la communauté de communes du grand Pic Saint-Loup (Hérault).